ДЛЯ НЕРЖАВЕЮЩЕГО МОЛОКОПРОВОДА С НАРУЖНЫМ ДИАМЕТРОМ ТРУБ 53 ММ
Подробнее
Наличие товара на складе и актуальность цен уточняйте у наших менеджеров
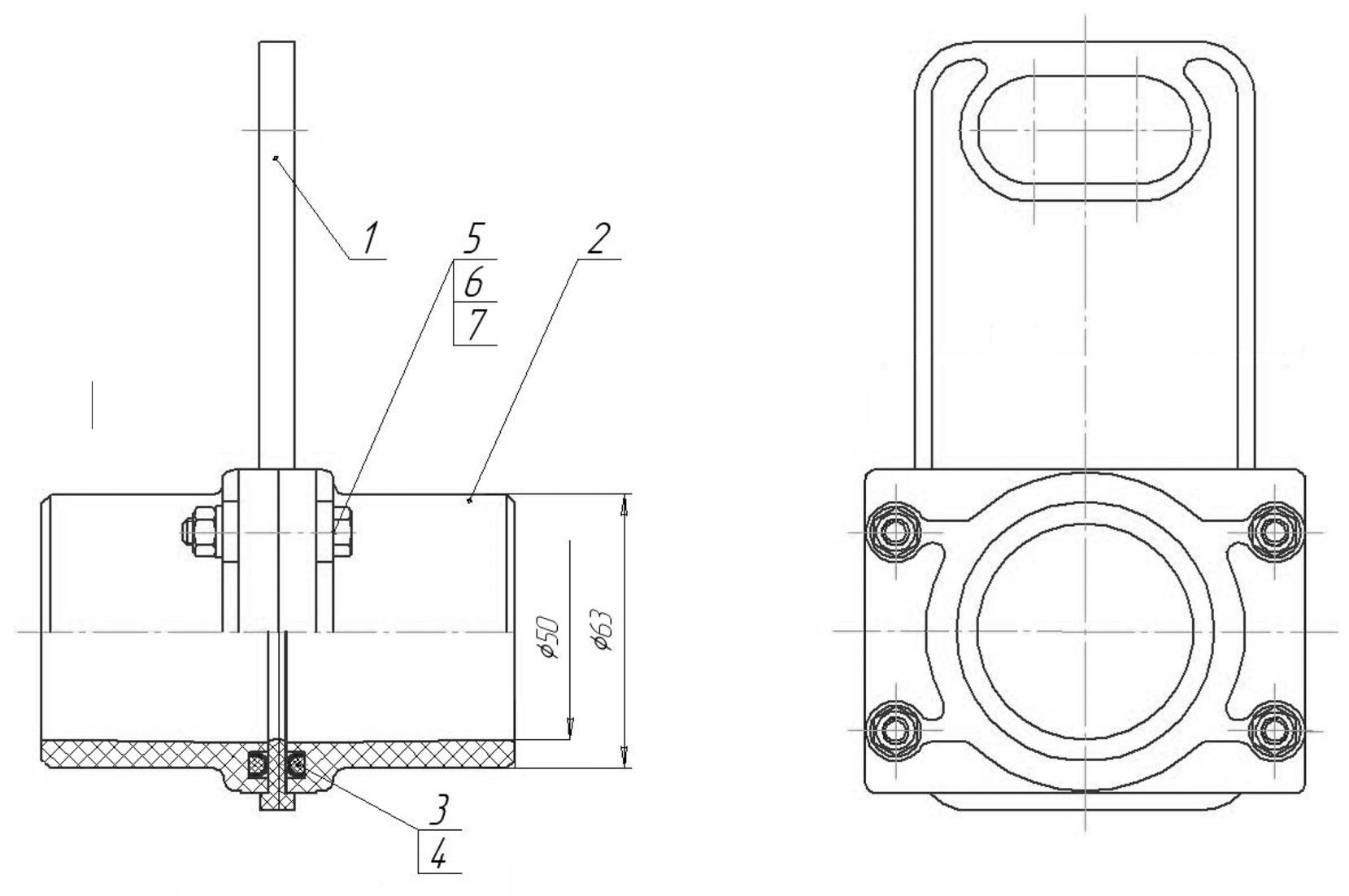
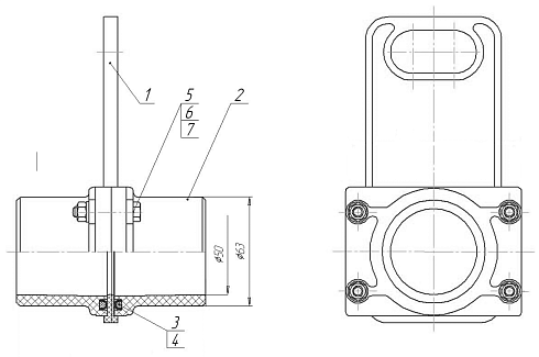
1 – Шибер ШРИБ-108-311.002;
2 – Наконечник ШРИБ-108-311.003;
3– Оболочка ШРИБ-108-311.004;
4 – Амортизатор ШРИБ-108-311.005;
5 – Винт М5х35;
6 – Гайка М5;
7 – Шайба А5
2 – Наконечник ШРИБ-108-311.003;
3– Оболочка ШРИБ-108-311.004;
4 – Амортизатор ШРИБ-108-311.005;
5 – Винт М5х35;
6 – Гайка М5;
7 – Шайба А5
