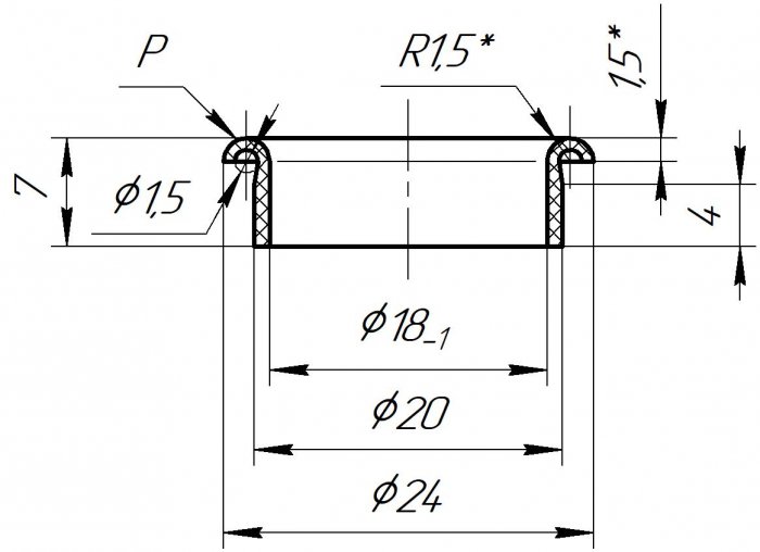
Арт.5,9
Материал – резина;
Масса – 0,0007 кг
Масса – 0,0007 кг
Наличие товара на складе и актуальность цен уточняйте у наших менеджеров
Пн. – Пт с 8:00 – 17:00
Обед с 12:00 – 13:00
