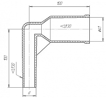
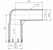
Детали из пластмассы
Цель нашей компании —
предложение широкого ассортимента товаров и услуг на постоянно высоком качестве обслуживания.
предложение широкого ассортимента товаров и услуг на постоянно высоком качестве обслуживания.
Пн. – Пт с 8:00 – 17:00
Обед с 12:00 – 13:00
