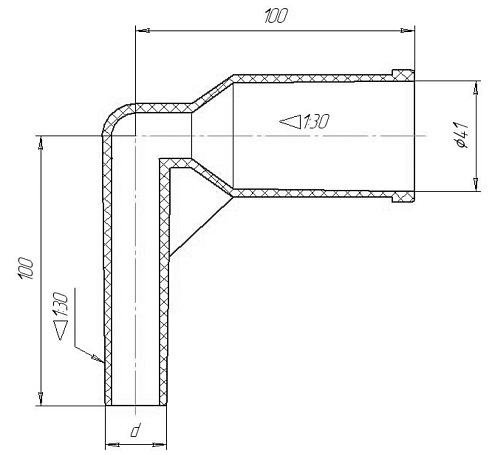
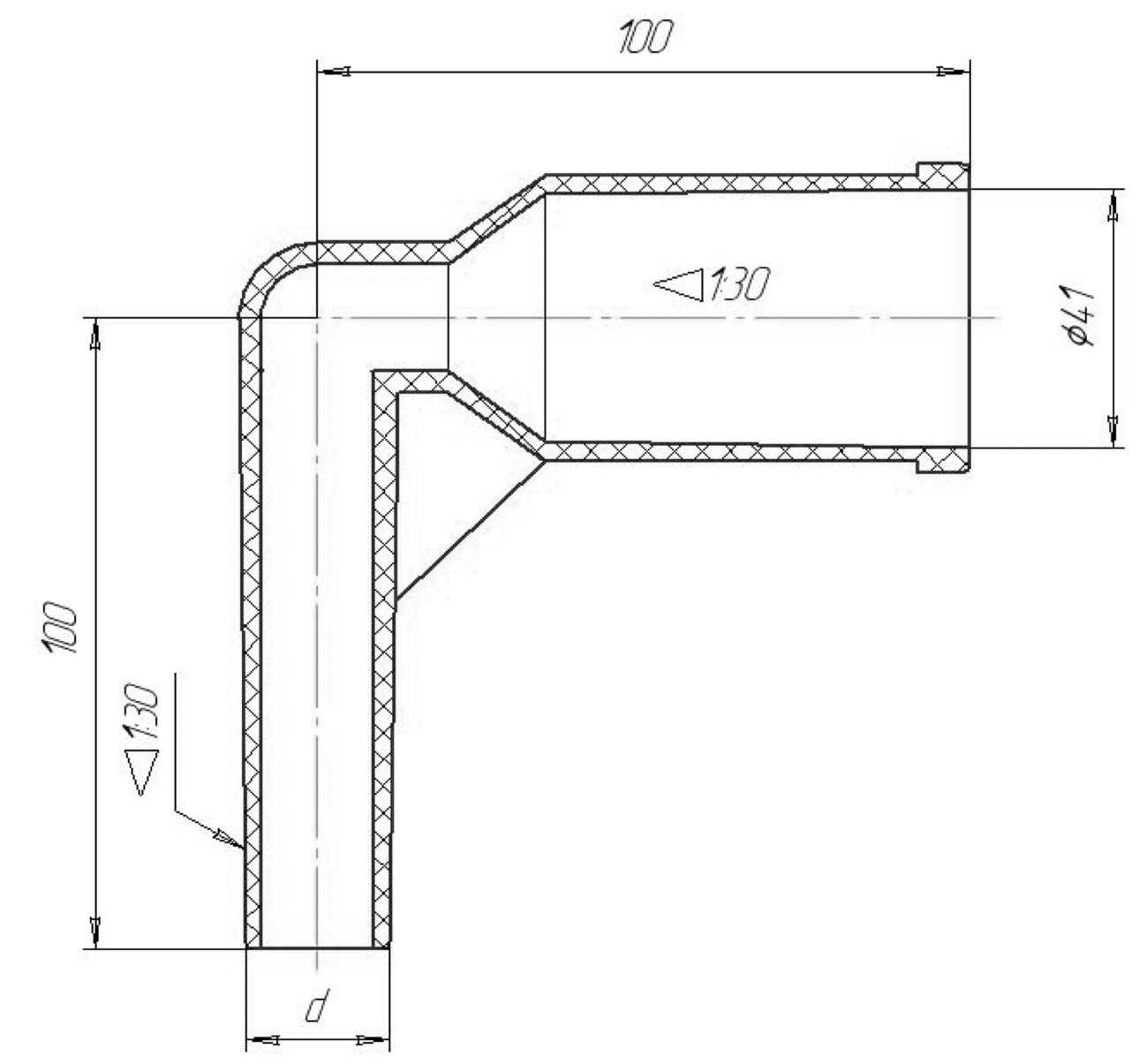
Материал – полипропилен;
Масса -0,04 кг.
Масса -0,04 кг.
Наличие товара на складе и актуальность цен уточняйте у наших менеджеров
Пн. – Пт с 8:00 – 17:00
Обед с 12:00 – 13:00
