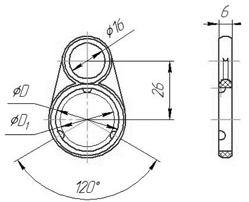
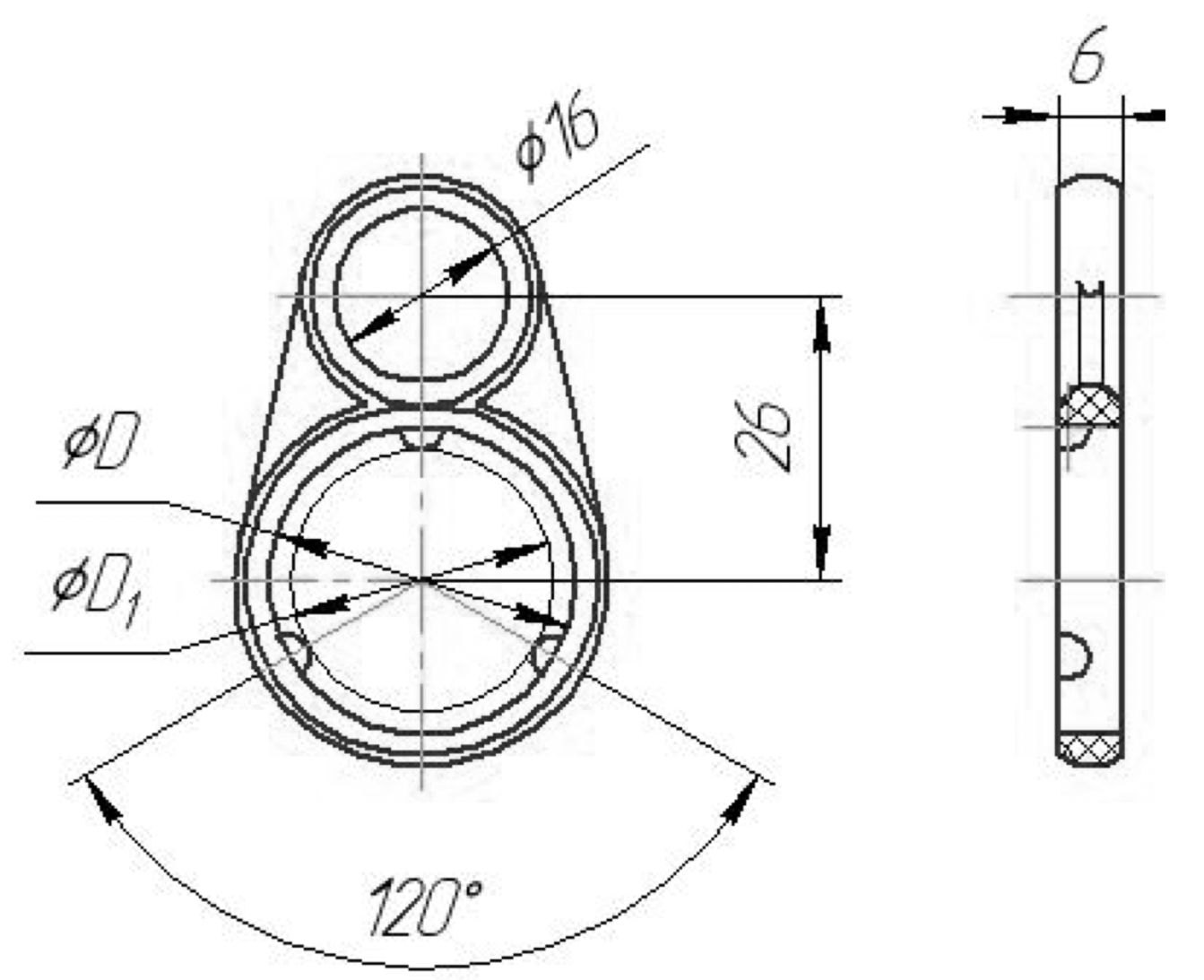
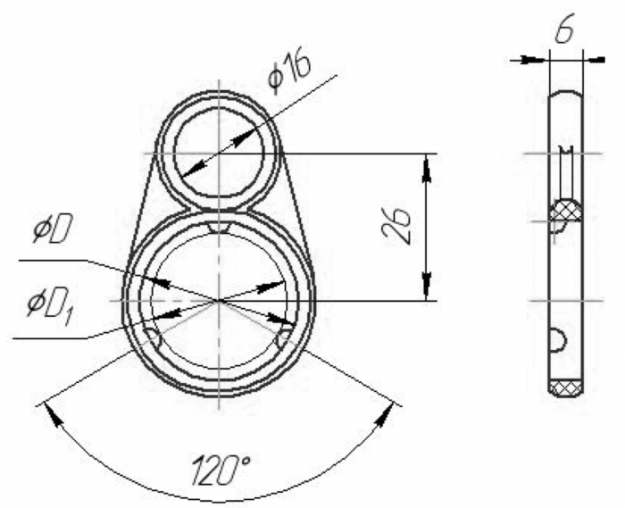
Материал – полиэтилен.
Подробнее
Наличие товара на складе и актуальность цен уточняйте у наших менеджеров
| Обозначение | Наименование | Размеры,мм | Масса, кг | |
|---|---|---|---|---|
| D | D1 | |||
| ДД 00.011 | Кольцо | 28 | 24 | 0.005. |
| ДД 00.011-01 | Кольцо | 25 | 21 | 0.005 |
